您的位置:
首頁 >
產品中心 >
軸承產品 >
LYC洛陽軸承 25590/25523 圓錐滾子軸承
LYC洛陽軸承 25590/25523 圓錐滾子軸承
品牌:LYC洛陽軸承
類型:圓錐滾子軸承
新型號:25590/25523
舊型號:
內徑:45.618 mm
外徑:82.931 mm
厚度:25.4 mm
在線詢價
技術咨詢
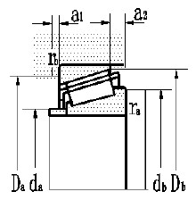
產品尺寸與參數

- 重量 kg
- 重量 kg
- 0.603
- 軸承代號
- 現用型號
- 25590/25523
- 原用型號
- 25590/25524
- 計算系數
- e
- 0.33
- Y
- 1.8
- Yo
- 1
- 外形尺寸 mm
- d
- 45.618
- D
- 82.931
- B
- 25.4
- C
- 22.225
- T
- 26.988
- r1,2 min
- 3.5
- r3,4 min
- 2.3
- 極限轉速 r/min
- 脂
- 4500
- 油
- 6000
- 安裝尺寸 mm
- da max
- 50
- db max
- 56
- Da min
- 72
- Db min
- 78
- a1
- 4
- a2
- 6
- ra max
- 2.5
- rb max
- 2.1
- 額定負荷 kN
- 動負荷 C
- 80.9
- 靜負荷 Co
- 106
- 軸頭 mm
- 軸頭 mm
- 45.618
客服
工作時間:
周一至周五: 9:00-17:50
周六至周日: 休息
在線客服:
客服: 
聯系方式:
聯系電話: 0571-85807285
聯系手機: 18957175968
頂部
久久久久久久精
改则县|
那坡县|
尼木县|
榆林市|
曲阳县|
呼图壁县|
灌阳县|
宁乡县|
法库县|
潞西市|
湘潭市|
中卫市|
集贤县|
惠东县|
富川|
福鼎市|
佛坪县|
平谷区|
郑州市|
伊吾县|
靖远县|
华池县|
香格里拉县|
蒲城县|
金山区|
凤凰县|
北流市|
贵溪市|
建德市|
聊城市|
开鲁县|
兴隆县|
固原市|
濉溪县|
勃利县|
中宁县|
洛阳市|
青海省|
文水县|
郸城县|
富蕴县|
http://444
http://444
http://444